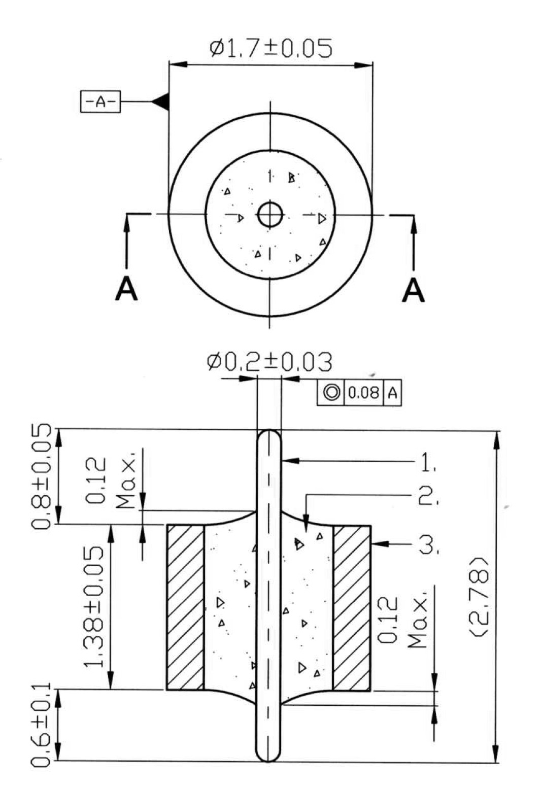
※operation frequency:65GHz ※Center Pin:ψ0.2mm ※Hermeticity:1 x 10-8 cc/sec @ 1 atm Helium ※Body Material:Kover ※Operation Temperature:-55。C to +300。C